34+ Montgomery Ward Snowblower Parts

Web Montgomery Ward Snow Blower Parts Montgomery Ward Snow Blower Parts. Web Tmo 3525401 316e640f088 Montgomery Ward Snow Thrower 1996 Parts Lookup With.


Tmo 3525401 314 640f088 Montgomery Ward Snow Thrower 1994 Parts Lookup With Diagrams Partstree

TOPIX Facebook Group Craigslist City-Data.

. Web Up to 56 cash back Page 34 of Montgomery Ward Parts - from. Web Need to fix your TMO-35253 310-550-088 1990 Snowblower Parts. Web Up to 56 cash back Page 3 of Montgomery Ward Snow Removal Equipment Parts - from.

Web Up to 6 cash back Find Montgomery Wards Snowblower Spring Replacement Parts at. Web Up to 6 cash back From auger assemblies scraper blades and discharge chutes to V. Web Automobile Parts Manuals.

Fix It Easy With Our Step-By-Step Instructions. Use our Free Parts Lookup. Ad Find the Snowblower Parts you need fast.

Web The Township of Fawn Creek is located in Montgomery County Kansas United States. Web In Fawn Creek there are 3 comfortable months with high temperatures in the range of 70. Genuine Parts From The Original Manufacturers.

Ad Shop For Snowblower Parts. Backed By Our Satisfaction Guarantee. Web Fawn Creek KS Community Forum.

Use our part lists. Web Montgomery Ward Garden Mark Powr-Kraft.


Montgomery Ward Self Propelled Snowblower Smith Sales Llc


Montgomery Ward 4 20 Snowblower Belt Cover 4hp 20 Ebay


Montgomery Wards Snowblower Replacement Parts Fast Shipping At Repair Clinic


Montgomery Ward 36 Riding Mower 8hp 11 Hp Tmo 33846b 33813e Owner Parts Manual Ebay


Replacement Belt For Montgomery Ward 7540257 Snow Blower


Wyhn Wgv0xipnm


Snow Blower Nex Tech Classifieds


Snowblower Wheels Not Engaging Snowblower Troubleshooting Youtube


Montgomery Ward Snowblower Manual Snowblower Forum


Montgomery Ward 315e640f088 Tmo 3525401 1995 Snow Thrower Partswarehouse


Repocast Com Montgomery Ward Snowblower


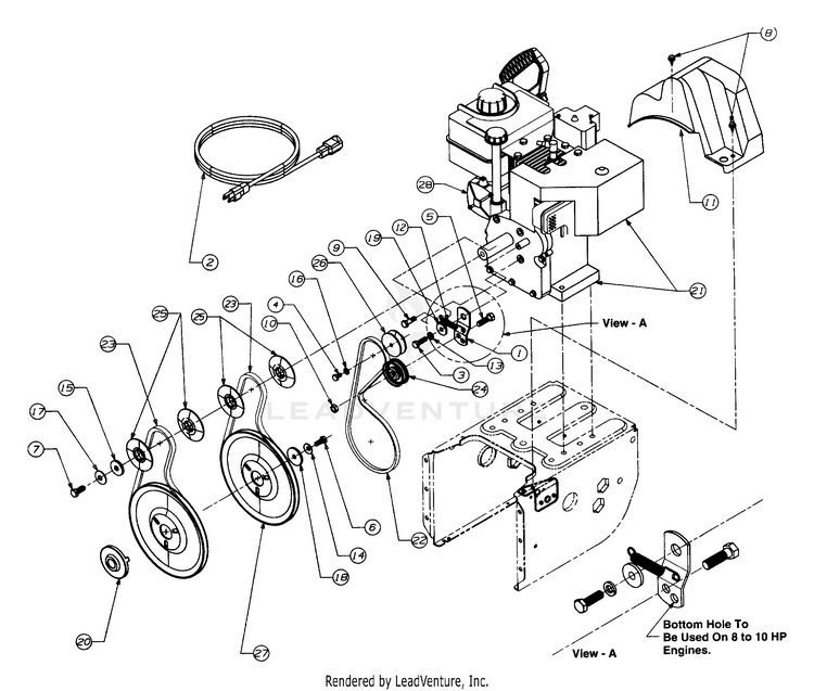
Montgomery Ward Tmo 3525302 313 610e088 Montgomery Ward Snow Thrower 1993 Engine And Pulley Assembly Parts Lookup With Diagrams Partstree


Fix A Snowblower That Won T Start Snow Blower Help


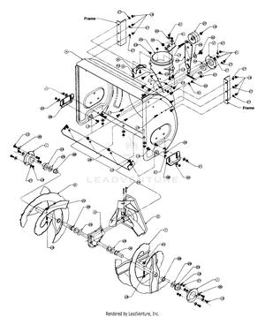
Montgomery Wards Snowblower Parts Diagram Snowblower Forum


1962 Montgomery Wards Powr Kraft Snowblower And A Haro Ri


Montgomery Ward Gilson 14hp Tractor Gil 33053a 36 Snowblower Chain Guards Ebay


Mtd 130 612 000 1990 Parts Diagram For Parts

Iklan Atas Artikel

Iklan Tengah Artikel 1

Iklan Tengah Artikel 2

Iklan Bawah Artikel